四川嘉誉达建设工程有限公司

技术资料

首页 / 技术资料 / 正文

手术室四个手术区竟有24种洁净运行模式

作者:嘉誉达建设 / 2023-02-01 02:02:11

通仓交融的通仓barn是原指谷仓、畜棚、车库,大的,简陋的建筑物。交融intergrated是整合,使之成为一体的意思。所以,通仓交融手术室,从英文释义来讲,是放置很多手术台的开放空间,通常指在一个完全开放的大空间内,有多台手术可同时开展(一般为4台手术)的一个综合性的手术平台。4台手术的团队在这平台上有机组合在一起,在手术过程中相互交流、交汇、合作与融合。

在这个综合手术平台上,建筑空间是需控制的,人员数量是受限制的,手术区域环境是可控的,洁净等级是可变的,空调系统是变风量的,气流组织是变化的,运行是多样化的。在交融通仓手术室内,经验较少的外科医生和麻醉师能够在专家指导下,能成功地完成手术,使他们的能力得到了锻炼,并且增加了手术数量,减少了人员配置,提高了手术运营效率,又可随时根据手术技术与装备的发展而变化。

图片

图片
通仓交融手术室设计方案
01
手术室概要及平面布局

通仓交融手术室一般能同时开展1~4台手术,在手术进行时,仅需要一位高级麻醉师及一名资深手术医生,其余均由麻醉师、主刀医生及护士完成。一名巡回护士同时管理4台手术,医护人员数量配置相比传统模式缩减25%,大大提高了工作效率,而且手术空间、手术器具与设备、手术人员得以高效利用,最大程度发挥高级外科医生与高级麻醉师的作用,手术团队分享临床专业知识与手术技能,使医院在有限优质医疗资源下,更快、更省、更安全和更有效地服务治疗更多的病人。

通仓交融手术室一般建筑面积控制在长23.4m×宽8.4m=196㎡(见图2)内,手术内区与外区面积比1:5.5左右,手术室人员与设备标准配置见表(表1、表2),手术室内设备和人员布置见图(图2)。

图片图2 手术室设备与人员布置图

图片表1 人员布置表

图片表2 设备布置表

基于手术性质及对不同手术净化等级要求的区别,四台手术均可在Ⅰ级洁净手术室与Ⅲ级洁净手术室之间任意变级切换,而不影响其它手术的开展。也就是说1#或3#手术区按I级洁净手术室运行,而其它2#、4#手术区可以是III级洁净手术室运行。理论上可以有24种运行模式。但当开展移植手术时,通仓交融手术室只能按Ⅰ级洁净手术室运行。

02
 空调系统设计方案

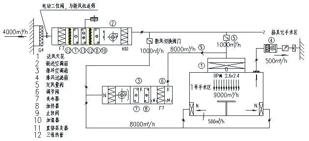
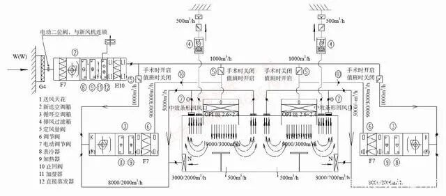
通仓交融手术室,共有4个即独立又关联的手术区域,为使手术区处于受控状态,并且各手术区能够灵活使用,每个手术区采用4套独立空调系统,而整个手术室采用1套新风空调系统,有利于通仓交融手术室整体压力控制和正压维持。

空调系统设计方案的理念是,采用集中新风空调系统消除手术室内湿负荷,循环空调系统调节手术室内温度,空调的2个系统分别对手术室内温度和湿度进行独立控制,使通仓交融手术室整体处于受控状态,各手术区可灵活使用。

图片

 设计参数

手术室室外参数参考上海地区,室内设计参数依据《医院洁净手术部建筑技术规范》(GB 50333–2013)指标确定:室内温度24℃,相对湿度50%,单个手术区平均室内人数4.5人。通过计算通仓交融手术室(四个手术区)总冷负荷Q=89.7kW,总湿负荷d =9.28Kg/h,室内冷负荷Qn=31.3kW,新风负荷Qw =58.4kw,每个手术室控制区为2.6m×2.4m,送风量9000m3/h,新风量1000m3/h,排风量500m3/h,渗透风量500m3/h。

 温度湿度独立控制

根据以上阐述,通仓交融手术室净化空调系统采用温度湿度独立控制(见图3),其特点是:洁净手术部内各手术室新风处理后状态点相同,并且是恒定的,各手术室循环空调系统自成独立系统,而且各手术室也可以灵活使用。

图片图3 温度湿度独立控制空调系统图

洁净手术室新风集中设置有利于满足各手术室的正压要求,保证各手术室的压力梯度。循环空调系统保证手术室的洁净度,避免空气交叉感染。排风采用独立系统,并且与手术室自动门连锁,当手术室门关闭时排风系统自动开启,使手术室始终处于正压受控状态,各手术区也可以灵活使用。由于新风空调系统承担手术室内全部湿负荷,新风空调箱冷却盘管的冷却除湿能力加大,要求进新风空调箱表冷器的冷水温度降低。当表冷器冷水进水温度达不到要求时,可采用直接蒸发冷却器进行二级冷却处理。新风空调箱湿工况运行,循环空调箱在干工况状态下工作,并且新风空调系统控制室内相对湿度,循环空调系统控制手术室温度,保证手术室在设定的温湿度范围内运行,特别是手术室相对湿度必须<60%。

 手术室的h-d图分析

通仓交融手术室新风集中处理,新风处理到I级手术区和III级手术区公共状态点(其含湿量小于手术室内含湿量),循环空调系统各手术区分别独立处理,夏季处理过程h-d图(见图4),冬季处理过程h-d图(见图5)。

图片图4 温度湿度独立控制空调系统夏季h-d

夏季,新风处理到L1点(公共状态点),新风处理状态点由do=dn—W/1.2L(其中do为送风含湿量,dn为室内含湿量,W为湿负荷)确定。由于手术室的湿负荷主要是人员散湿,在手术过程中,室内人员是固定的,因此室内湿负荷基本恒定,所以L1点基本是固定的。由于Ⅰ、Ⅲ级手术室湿负荷不同,因此含湿量差Δd也不同,确定的公共状态点能保证不同级别手术室的室内温湿度在《规范》许可范围内既可。

新风W先经三维热管预冷至W′,由于新风需从W′点处理到L1点,一级表冷器往往难以实现,因此通常采用两级表冷器来处理,第一级表冷器将新风由W′点冷却到L点(一般为室内状态点的等焓线与相对湿度95%线的交点),第二级表冷器将新风由L点冷却到L1点。由于两个表冷器处理后的出风温度不同,所以其所需的冷水进水温度也不同(通常表冷器冷水进水温度比出风温度低4 ℃左右)。在一个集中空调系统内要提供两种不同的冷水温度,水系统比较复杂也不经济,通常第一级表冷器采用集中空调系统提供冷源(或采用独立冷源——多功能热泵机组),第二级表冷器采用直接蒸发盘管。

图片

根据各手术室的控制调节需要,将新风从L1点经三维热管再热至T点,循环风与处理到T点的新风在手术室送风静压箱(送风天花)内混合到C点,考虑机器内升温至C′,再降温至热湿比线上O点,送入手术室内。

此方案新风空调箱承担了降温除湿功能,循环空调箱在干工况状态下运行,可减少细菌滋生繁殖,对控制手术室内无菌环境十分有利,而且简化了空调系统控制。当手术室内显热变化时,控制循环空调箱进行加热或降温处理,而且循环空调箱控制温度反应速度较快,控制精度也较高。

冬季,新风从W点加热到H点(在L1点的等温线上),再等温加湿到与公共状态点L1,并根据各手术室的控制调节需要,将新风从L1点加热至T点,与循环风在手术室送风静压箱内混合到C点,再降温至热湿比线上O点,送入手术室内。新风空调箱承担加热、加湿功能。当手术室进行制热或制冷功能转换时,新风的共同送风状态点始终维持不变,空调系统转换简单,使用灵活方便。

综上所述,新风空调箱对新风进行冷却、再热(夏季)或加热、加湿(冬季)处理到一个共同的送风状态点,循环空调箱对室内回风进行冷却(加热)处理;集中新风系统与室内循环系统互不干扰,控制系统稳定可靠。

图片

03
 通仓交融手术室气流组织

有序的气流组织设计是保证通仓交融手术室的洁净度,防止菌尘污染的重要措施,上部送风下部回风的气流组织设计,可以有效控制各手术区菌尘沉降污染。但受通仓交融手术室平面及各种条件限制,上部下回气流组织有一定困难,我们按现有成熟的设计经验,送风形式设计成:I级手术区上部送风,1/3风量下回,2/3风量上回,而III级手术区上部送风,全部采用下回风,并且I级和III级手术室下部回风不是平行于手术台长边两侧,而是在手术台短边一侧(见图8),风量平衡计算表见下表(表3)。

图片表3 风量平衡和风口参数表

04
手术区I/III级别转换

《医院洁净手术部建筑技术规范》第8.2.1条规定,“I级~III级洁净手术室内集中布置于手术台上方的非诱导型送风装,应使包括手术台的一定区域即手术区处于洁净气流形成的主流区内。”我们从I级~III级洁净手术室集中送风装置面积中发现(图6),不同级别的送风面积长度是固定的,不同的是宽度。

图片图6 手术区送风装置面积

这样为我们了提供解决I/III级手术区转换的思路,将手术区集中送风装置分成三个送风箱体,可完美解决I/III级转换难题(图7)。将I级手术区送风装置(2600×2400)分成3个箱体,即中心箱体1个(2600×2400),在长边二侧各增加1个箱体(2600×500)。将3个箱体组合使用即可达到I/III级手术区转换。当使用中心箱体时为III级手术区,当中心箱体和二侧箱体同时使用时为I级手术区。

图片图7 I/III级转换送风装置

我们以I级手术区为例进行分析,送风为中心箱体和二侧箱体,送风总箱体(2600×2400),送风量9000m3/h,箱体面积2600×2400=6.24m2,截面风速0.4m/s,送风管分以送风装置长边左右6路分支管,分别送入3个箱体。每路送风管上安装定风量阀,并固定设计风量,保证整个送风装置截面风速的均匀。每个定风量设双位控制,实施送风状态与关闭状态的切换。为维持各分支管路风量平衡,必须选择压力无关型定风量装置,才会随过滤器积尘而阻力增加等因数改变风量,长期维持送风装置截面风速的恒定。同样III级手术区送风时,开启中心箱体(2600×1400),送风量3000m3/h,箱体面积260×1400=3.64m2,截面风速0.22m/s。关闭二侧箱体的定风量阀,实现低级别运行,大大减少了送风量,可以降低运行费用与能耗。具体变级别方式见表4。

图片表4 手术区变级别运行

05
手术区I/III级转换的空调系统实施

通仓交融手术室I级手术区送风量9000m3/h, III级手术区送风量3000m3/h,送风量比为3:1。根据风量与风压平方 (L/L1=H/H11/2) 关系计算,当循环空调箱送风量9000m3/h,机外余压600Pa时满足I级手术区洁净度要求,当转换III级手术区时,风量需减少到原送风量的1/3,机外余压降至66Pa左右,显然不能满足克服风系统阻力的要求。按风量-风压性能曲线,当空调系统完成后,管网性能曲线固定,而改变风机性能曲线必然的,也是可行的。

我们将I级手术区9000m3/h的送风机,设计成二台4500m3/h的相同性能曲线的风机,当运行I级手术时,开二台风机,而运行III级手术时,开一台风机,这样当送风机4500m3/h改变3000m3/h时,机外余压600Pa降为400Pa。按管网特性方程式H=KQ2计算,由于I/III级手术区合用一套管路,阻力系数确定,风量减少使系统阻力减少2.25倍,循环风机产生的风压完全能克服风系统阻力。

一台风机单独工作时的风量大于并联工作时每台风机的风量,二台风机并联工作时,其并联工作时的风量不可能比单台泵工作时的风量成倍数增加(L1+L2<2L1)。因此在选择风机时,应考虑相同型号风机在并联运行时,均处在风量高效率工作点而且风量大于单台风机风量的因数。

06
四管制冷热源

洁净手术室一年四季处于制冷、再加热、制热这种特殊状况,在以往的洁净手术室设计中,冷热源采用风冷热泵机组或冷水机组+热水锅炉,水系统采用二管制或四管制,洁净空调箱再加热采用电加热或热水盘管。风冷热泵机组难以满足同时供冷供热的要求,而洁净空调箱采用冷却去湿再加热,形成冷热量互相“抵消”, 造成明显不合理的能耗,使洁净手术室成为医院高能耗部门。采用多功能冷热源一体机,替代锅炉+冷水机组制冷和制热设备,是手术室一种比较合理的冷热源选择方案。

冷热源采用四管制多功能空气源热泵,可实现同时解决洁净手术部冷冻去湿、再加热的要求,达到恒温恒湿控制的目的。该方案取消空调箱内电加热,利用多功能空气源热泵余热作为再加热热源,节约了大量冷热量互相“抵消”的能耗。同时在过渡季节手术室可同时制冷制热,各类手术室之间互相不干扰。通过近几年在手术室的实际运行,取得了较好的节能效果。

图片

图片
通仓交融手术室气流模拟实验

为验证通仓交融手术室采用上部回风气流组织的合理性,我们搭建了1:1实体模型(1/2型),目前正在做实体模型气流模拟试验, 主要检验:

(1)手术区内上回风是否影响在手术主流有效区域内单向流气流。

(2)条形上部回风口和下部回风口结合回风是否合理。

(3)I/III级级别转换在多少时间内气流达到相对平衡。

(4)手术室内温湿度场分布。

(5)各手术区按I/III级运行时互相干扰问题。

模拟实验具体结果将在以后文章中讨论。CFD模拟图(见图8)得出主要结论:

图片图8 通仓交融手术室实景图

(1)手术灯对气流的影响较大,导致手术灯下方出现涡旋。但在非手术灯下方,流线基本保持直线。

(2)在污物通道处设置下部回风口,导致手术室洁净通道侧出现较大涡旋,但此涡旋并未影响手术关键区。

(3)上部回风口回风量大,能够在各个手术区之间形成气流方向向上的“空气幕”。

图片

图片
通仓交融手术室气流交叉感染的预防设计

通仓交融手术室内气流组织是防止通仓交融手术室交叉感染的关键,也是通仓交融手术室洁净技术的核心。我们从气流组织和细菌控制三方面着手:

首先,各手术区采用各自独立的空调系统,为了使二台手术区之间气流尽量互不干扰,空调设计气流组织为,I级手术区大风量送风时,采用2/3风量上回,送风天花送风气流下降到手术床高度后成U型气流上回至回风口(见图9),使二台手术区之间形成洁净气幕。当III级手术区小风量送风时,无法形成气流幕,采用下回风。手术室采用上回风形式与国家有关规范相抵触,我们正在实验室做气流模拟和细菌检测实验,论证上回风的合理性(国外手术室有上回风工程实例),实验室初步检测结果:洁净度满足洁净手术室的级别要求。

图片图9 通仓手术室气流模拟图

其次在二台手术区内安装DNA实时细菌检测和分析设备,该设备采用DNA基因技术检测细菌成份,当手术区细菌浓度超过标准值时报警,启动洁净空调箱加大细菌超标手术区的送风量,形成该手术区对二侧手术区正压,使手术区细菌浓度始终处于标准值。最后当各手术区手术结束不同步时,为防止各手术区术后打包交叉感染,采用密闭污物小车(图11)替代术后打包,将术后各类器械、辅料等物品全部装入密闭小车内,密闭运出手术室送入医院中心供应室,彻底消除各手术区交叉感染潜在风险。

图片图10 洁净空调系统及气流分析图

图片图11-1 密闭污物小车

图片图11-2 密闭污物小车

图片
通仓交融手术室,空调节能性分析
01
 U型三维热管夏季预冷

目前手术室空调系统基本上有二种方案,传统的一次回风加再热系统,另外一种是温度湿度独立控制、新风湿度优先控制。二种空调系统方案从h-d图上分析,从L1点加热到T点,可利用余热、废热进行加热。新风冷却后再加热有多种方案,如可采用多功能热泵机组的废热再加热,也可采用直接蒸发冷却器的冷凝热再加热。本方案采用三维热管技术,在新风空调箱表冷器前后侧增加U型热管,夏季新风预冷却,可节省冷量Q=4000×1.2×(90.6-85.2)/3600=7.2kW,经新风直膨机深度冷却后,再将新风再热Q = 4000×1.2×(33-29.4)/3600=4.8kW,节省新风能耗约12kW。采用三维热管技术,在夏季对提高新风最终处理温度,在冬季减少新风相对湿度,使新风控制系统内出风口空气相对湿度不大于75%。

02
温湿度独立控制方案节能分析

通仓交融手术室空调方案放弃了一次回风加再热方案传统方案,采用温度湿度独立控制、新风湿度优先控制方案,并在新风空调箱内采用三维热管技术。经计算比较,通仓交融手术室夏季总冷量94.4kW,其中:新风机组中一级制冷段由冷水机组承担48.8kW,二级制冷段由直膨机承担20.4kW,循环机组冷量5.2kW(单台冷量6.3kW),冬季总热量34.4kW,新风加热量 21.6kW,循环机组加热量12.8kW(单台热量3.2kW),加湿量25kg/h。

对比传统的一次回风加再热方案,总冷量约为199.48kW,其中:新风机组冷量46.68kW,循环机组冷量150.8kW。两方案比较,采用温湿度独立控制方案,总冷量约为94.4kW,每年运行1500h,年耗能14.16万kW·h电。采用一次回风再加热方案,总冷量约为199.48kW,如每年运行1500h,年耗能29.92万kW·h电;前者比后者每年少用电15.76万kW·h。按热泵机组最低COP=3.0估算,一间通仓交融手术室一年可节电315.24kW。

作者将通仓交融手术室空调方案,采用传统的一次回风加再热方案和温度湿度独立控制方案进行比较结果如表5所示。

图片表5 洁净手术室耗冷量比较

注:一次回风加再加热方案I-D图,见暖通空调 2015年增刊2。

图片
结语

通仓交融手术室在国内医院建设标准或规范中,如我国《医院洁净手术部建筑技术规范》(GB 50333–2013)尚未涉及,需要不断努力从控制思路、设计计算、实体模型、数值模拟等方面在具体工程中验证后实施。

我国胸外科微创手术已经不亚于国外,通仓交融手术室能在很大程度上提高手术室运营效率,改善感染控制并最大程度降低运行成本。对于我国大型专科医院手术室来说,这是一个“减量增效”的新思路。

通仓交融手术室可减少医护人员总数量约25%,高级麻醉师及资深护士约37.5%,人力成本降低9.38%,手术量可提高25%以上,经济效益增加显著。

通舱交融手术室空调系统有四大特点:

  • 手术室温湿度独立控制;
  • 空调冷热源四管制系统;
  • I/III洁净等级可转换;
  • 上回风和下回风形式有机组合。

通仓交融手术室洁净I/III等级可转换,使在切除不良结节的手术量过程中,需调正手术方案,扩大手术视野而转换洁净度成为可能。

  • 在线客服
  • 联系电话
    13198551112
  • 在线留言
  • 微信联系